特長
❶ 斜角度が自由に設定可能
道路と交差する水路の交差角を90度~ 60度まで自由に 設定可能なため、道路設計時には、用地設定など設計の自由 度が広がります。
❷ 多種多様な形状に対応可能
門形、U形、L形を組み合わせて、斜角門形カルバート、 斜角ボックスカルバート、拡幅水路、拡幅暗渠(ラッパ状ボッ クス)などの対応が可能です。
❸ 優れた施工性
横断部を門形にした場合、既設水路を撤去することなく 施工が可能なため、既設水路内での支保工や水換え工が不要 です。
❹ 幅広い適用分野
道路工事、河川工事をはじめ道路横断構造物の暗渠化や(一 社)農業農村整備情報総合センターの農業農村整備民間技術情 報データベース(NNTD)に登録されており農業農村整備事 業にも活用されています。

設計条件と形状
● 設計条件

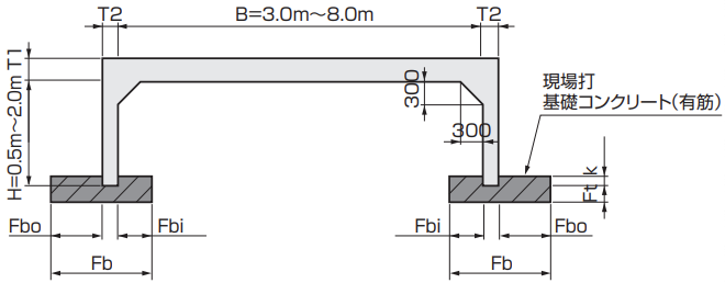
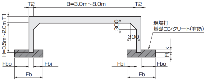
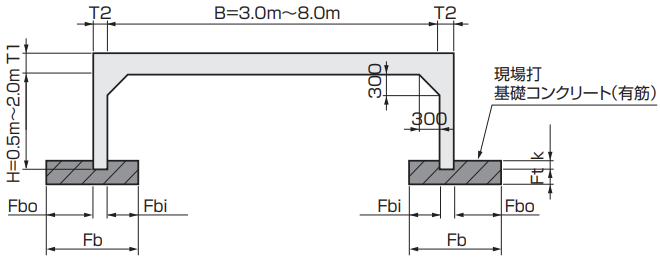
● 基礎詳細図

門形カルバートの側壁下部を基礎に直接埋め込む構造を標準としております。 尚、基礎コンクリートの形状については、安定計算により決定し、また、構造 上問題無いように有筋構造を標準としております。
● 形状


標準規格
(単位:mm)

※ 上記標準寸法・設計条件以外はお問い合わせください
オプション

施工事例

斜角2分割ボックスカルバート(道路拡幅)

斜角門形カルバート(底部現場打ち)

3分割ボックスカルバート(底部現場打ち)

斜角2分割ボックスカルバート(水路改修)

斜角2分割ボックスカルバート(水路改修)

斜角門形カルバート(水替え工なし)
工法比較表
(単位:mm)

※図中( )内の数値は斜長を示す。