特長
❶安心の歴史
誕生して100年超のロングセラーです。
❷剛性の高いコンクリート製品
ヒューム管は高強度コンクリート製なので、変位・変形はほとんどなく、流下能力が低下しません。
❸優れた耐震性と止水性
ヒューム管の継手部はゴム輪で接合され、所定の抜出し量が確保されているため、地震時の地盤変動や変位に対応し止水性と流下能力を保つことができます。
❹環境にやさしい管材
ヒューム管の原料は国内産のセメント、砂利、砂等であり国内資源を有効利用した管材で、石油を原料にする管材に比べ製造に消費するエネルギーが少ないことから、環境にやさしい管材といえます。
❺環境負荷低減
コンクリート製品の耐用年数は、一般的に50年と言われております。従って一定の年数経過により更新されますが、撤去したヒューム管はコンクリート用骨材や道路の路盤材として99%再利用可能です。
❺安くて早い工法
推進工法は、シールド工法と比較して掘削発生土が少なく、工事費が安く工期短縮となります。
種類
ヒューム管は用途及び埋設方法により、外圧管、内圧管及び推進管に大別される。外圧管は継手部の形状によってA形、B形、NB形、NC形、NE形及びNL形、さらに外圧強さによって1種、2種及び3種に区分されます。また推進管は、継手部の形状と性能の違いからE形とNSに、外圧強さにより1種及び2種に、そして軸方向の圧縮強度により50、70に区分されます。以上のほか、それぞれの使用目的によって、T字管、Y字管等の異形管及び集水管等の特殊管があります。

規格
管の規格には、日本工業規格としてJISA5372:2010(附属書C(規定)暗きょ類推奨仕様C-2遠心力鉄筋コンクリート管)、 日本下水道協会規格としてJSWASA-1(下水道用鉄筋コンクリート管)、JSWASA-2(下水道推進工法用鉄筋コンクリート管) 及びJSWASA-6(下水道小口径管推進工法用鉄筋コンクリート管)があります。また、全国ヒューム管協会規格としてJHPAS があります。
🔳日本工業規格

🔳日本下水道協会規格

🔳全国ヒューム管協会規格

B形管
JIS A 5372-2010
JSWAS A-1-2011
JHPAS-32-2007
端が受口と差し口からなっており、シール材を用いて接合します。
● 形状

標準規格
(単位:mm)

※呼び径1500〜1800の管の有効長は1080mmとすることができます。
NB形管
JIS A 5372-2010
JSWAS A-1-2011
JHPAS-28-2000
B形より受口を長くし、抜出し長の機能を向上させたもので、シール材を用いて接合します。
標準規格
(単位:mm)

※呼び径150及び200の管の有効長は500mmまたは1000mm、呼び径250〜350の管の有効長は1000mm、呼び径400〜900の管の有効長は1200mmとすることができます。
NC形管
JIS A 5372-2010
JSWAS A-1-2011
JHPAS-34-2004
C形より管の厚さを増し、抜け出しの性能を向上させたもので、シール材を用いて接合します。
● 形状

標準規格
(単位:mm)

※呼び径1500〜1800の管の有効長は1080mmとすることができます。
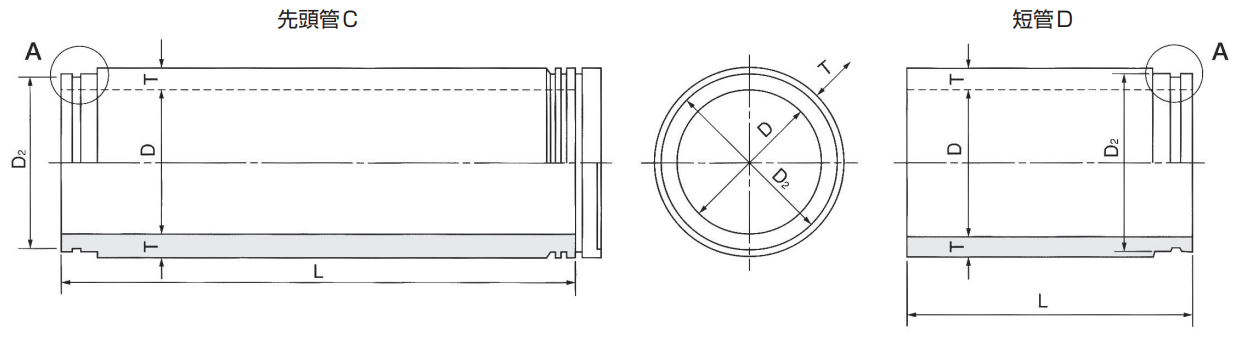
E形小口径推進管
JSWAS A-6-2000
JHPAS-20-2006

※1 耐水圧=0.1MPa
※2 JSWAS A-6に登録された形状については、継手性能区分を示すSJS を表示します。
※3 先頭管Cは既存の先導体(T形カラー用)との接続のため使用します。
※4 短管Dは先頭管Cとの接合に使用します。
● 形状

標準規格
(単位:mm)

※1 呼び径200〜300の管の有効長は1000mm、呼び径350〜700の管の有効長は1200mmとすることができます。
※2 標準管の形状はカラーなしとすることができます。
【短管A、B】
● 形状

標準規格
(単位:mm)

※その他の寸法については標準管に準じます。
【先頭管C及び短管D】
● 形状


標準規格
(単位:mm)

※先頭管の有効長は、呼び径200 ~ 300については1000mm、呼び径350 ~ 700については1200mmとすることができます。
【先頭管C及び短管Dに用いるカラー】
● 形状

標準規格
(単位:mm)

※1 ( )内は、呼び径600及び700の寸法です。
※2 スリットは、呼び径600、700のみに設けます。
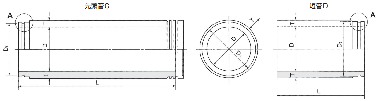
NS形小口径推進管
JSWAS A-6-2000
JHPAS-27-2006

※1 耐水圧=0.2MPa
※2 JSWAS A-6に登録された形状については、継手性能区分を示すSJBを表示します。
※3 先頭管Cは既存の先導体(T形カラー用)との接続のため使用します。
※4 短管Dは先頭管Cとの接合に使用します。
● 形状


標準規格
(単位:mm)

※1 呼び径200〜300の管の有効長は1000mm、呼び径350〜700の管の有効長は1200mmとすることができます。
※2 標準管の形状はカラーなしとすることができます。
【短管A、B】
● 形状

標準規格
(単位:mm)

※その他の寸法については標準管に準じます。
【先頭管C及び短管D】
● 形状


標準規格
(単位:mm)

※先頭管の有効長は、呼び径200 ~ 300については940mm、呼び径350 ~ 700については1150mmとすることができる。
【先頭管C及び短管Dに用いるカラー】
● 形状

標準規格
(単位:mm)

※1 ( )内は、呼び径600及び700の寸法です。
※2 スリットは、呼び径600、700のみに設けます。
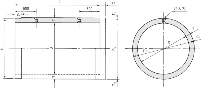
E形推進管
JSWAS A-2-2018
JHPAS-19-2018

● 形状


標準規格
(単位:mm)
※1 標準管の有効長は、1200mmとすることができます。
※2 標準管の形状は、カラーなしとすることができます。ただし、有効長は2430mmまたは、1200mmとします。
※3 呼び径1000以上の標準管には、緊結用埋込みナットをつけることができます。
※4 注入孔の数および、位置は必要に応じて変えることができます。
推進力伝達材(参考)
(単位:mm)
※厚さは、8〜12mm程度です。
● 形状

標準規格
(単位:mm)

※呼び径900は、JHPAS-19です。
● 形状

標準規格
(単位:mm)

※呼び径900は、JHPAS-19です。
【接続管】
● 形状

標準規格
(単位:mm)

※1 標準管の有効長は、1200mmとすることができます。
※2 呼び径1000以上の標準管には、緊結用埋込みナットをつけることができます。
NS形推進管
JSWAS A-2
JHPAS-25、29

● 形状


標準規格
(単位:mm)

※1 標準管の有効長は、1200mmとすることができます。
※2 標準管の形状は、カラーなしとすることができます。ただし、有効長は2430mmまたは、1200mmとします。
※3 呼び径1000以上の標準管には、緊結用埋込みナットをつけることができます。
※4 注入孔の数および、位置は必要に応じて変えることができます。
推進力伝達材(参考)
(単位:mm)
※厚さは、8〜12mm程度です。
【中押管S】
● 形状

標準規格
(単位:mm)

※呼び径900は、JHPAS-25です。
【中押管T】
● 形状

標準規格
(単位:mm)

※呼び径900は、JHPAS-25です。
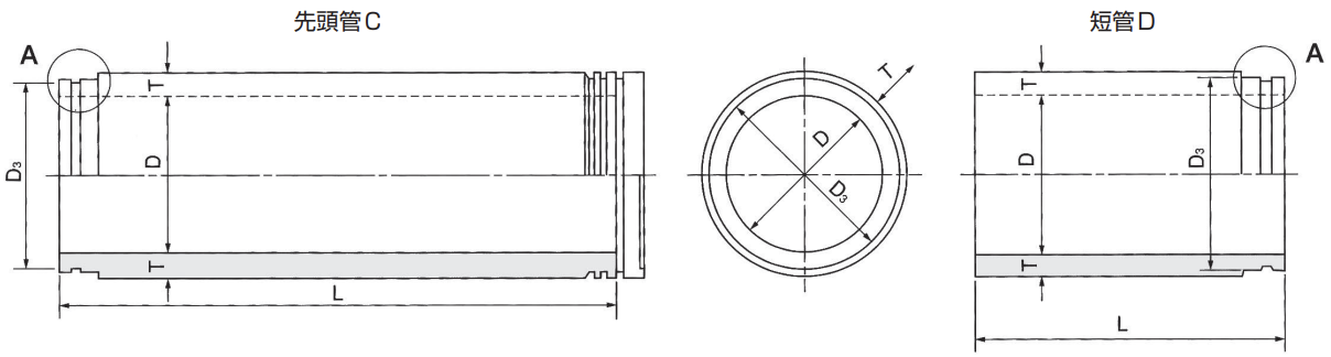
【先頭管C】
● 形状

標準規格
(単位:mm)

※その他の寸法については、標準管に準じます。
仕様
🔳シール材
● B形及びNB形用

・B形用
(単位:mm)


・NB形用
(単位:mm)

● B形及びNB形用水膨張性ゴム輪

・B形用
(単位:mm)

※斜線部は水膨張部を示します。

・NB形用
(単位:mm)

※斜線部は水膨張部を示します。
・ NC形用

(単位:mm)

・ E形小口径推進管用

(単位:mm)


(単位:mm)

・NS小口径推進管用

(単位:mm)


(単位:mm)

・ E形推進管用

(単位:mm)


(単位:mm)

・ NS推進管用

(単位:mm)


(単位:mm)


(単位:mm)

🔳外圧強さ
●外圧管・異形管

(単位:kN/m)

● 小口径推進管

外圧強さ
(単位:kN/m)

・推進管
外圧強さ
(単位:kN/m)

🔳内圧強さ
内圧強さ(開削工法用管)
(単位:MPa)

内圧強さ(推進管)
(単位:MPa)

内圧管には外圧と内圧の合成荷重が作用するので、両方の強さが規定されている。 推進管の内圧管の外圧強さは、外圧管と同じ
🔳接手性能
接手性能
(単位:MPa)

🔳推進方向の管の許容耐荷力
推進方向の管の許容耐荷力は次式で求めます。
Fa=1000σmeanAe
ここに Fa:管の許容耐荷力(kN)
σmean:コンクリートの許容平均圧縮応力度(N/mm₂ )Ae:管の有効断面積(m₂ )

※許容平均圧縮応力度は、50N/mm2については13N/mm2 、70N/mm2については17.5N/mm2及び 90N/mm2については22.5N/mm2を使用します。

