特長
❶ 幅広く対応
外圧管と内圧管がラインナップされています。 外圧管としては長距離推進や曲線推進そして岩盤推進を始 めとする硬質地盤推進に数多くの納入実績があります。 また内圧管としては唯一推進管で(公社)日本下水道協会規格 Ⅰ類認定を取得しており、貯留機能を有する雨水管路や大深 度管路、さらにはサイホンから農業用水パイプラインに至る内 圧管路に幅広く対応できます。
❷ 高強度
ドライコンクリート(水セメント比24〜29%程度のコンク リートに高強度混和材を添加)とガラス繊維を用いた鉄筋コン クリート管です。 3種管までの外圧強度を有しているので急曲線推進時での 増大する側方土圧に対応が可能です。 荷重分散性能に大変優れ、硬質地盤での集中荷重、偏荷重 にも対応します。
❸ 耐震
規格破壊荷重が大きいので地震時における発生モーメント にも十分対応可能です。
❹ 内圧管として(公社)日本下水道協会規格Ⅰ類認定を取得
ガラス繊維が全断面に有効に働く管体構造のため、内圧に 対して抵抗することができます。 管本体の内圧強度は最大0.6MPaを規格化しています。 (規格外の設計条件はお問い合わせください)

種類

※記号の種類のXは、継手性能GJA、GJCのいずれかが入ります。
仕様
● 耐アルカリ性・耐酸性ガラス繊維
セミシールドパイプSSPの主な補強材には、ジルコニア(ZrO2) 含有率16%以上と高く、耐アルカリ性及び耐酸性に優れたガラス繊維 (ARGファイバ)を採用しています。
● ARGファイバの特長
①耐アルカリ性に優れる
②耐酸性に優れる
③引張り強度が高い
④不燃である

ARGファイバと普通鉄線の特性比較


耐アルカリ性・耐酸性ガラス繊維のセット f

ガラス繊維投入
🔳外圧管
耐震・長距離・急曲線・硬質地盤に多くの実績! 強度に優れた推進管
● 耐震性に優れます
・規格破壊荷重が大きいので、地震時における発生モーメントにも十分対応が可能です。
● 長距離推進に優れます
・ドライコンクリートを強力な遠心力と振動で締め固めることによって大きな許容耐荷力を実現しています。
・中押し装置を軽減・省略することによって日進量が大幅に向上できます。 ・世界最長推進距離(1,447.6m)を樹立した際に使用されました(2007年施工)。
● 急曲線推進に優れます
・曲線部内では受圧面積が減少しポイントタッチとしての照査が必要となりますが、高強度の管体コンクリート のため安全性を確保しています。
・3種管までの大きな外圧強さを規格化しており、急曲線における側方土圧にも十分耐えます。
● 硬質地盤推進に優れます
・巨石・玉石地盤推進では掘削時に発生する岩塊等から受ける一点集中荷重および偏荷重に対し、ガラス繊維の 補強効果により荷重分散性能に優れているため大きな損傷を回避します。
・折れ曲げ荷重に強く、胴折れを抑制します。
● 外圧強さ(曲げ強度)
(単位:kN/m)

● 推進方向の許容耐荷力

※表中のAeは有効断面積。Faの計算に用いたコンクリー トの許容平均圧縮応力度σmaは70シリーズは17.5N/ mm2 、90シリーズは22.5N/mm2としました。
🔳内圧管
E形管 標準管(継手性能GJA)
下水協Ⅰ類認定を取得 ・ 強度に優れたハイグレードな内圧推進管
● 内外圧組合せ荷重
埋設された管体には、内水圧の他土圧や活荷 重などを同時に受けます。管体に内水圧が作用す れば管内壁全体に引張応力が生じ、また外圧が作 用すればそれによる曲げモーメントによって曲げ 引張応力が生じます。内外圧が同時に作用すれば、 複合作用として管体上下の内壁には引張応力が加 重して作用することとなり、管体の強度が不足す る場合には破壊に至ります。管体の設計では管体 に同時に作用する内外圧の複合作用について検討 し、これに対して十分安全であるよう設計しなけ ればなりません。
● 内水圧強さ
(単位:MPa)



● 管体構造に優れます
①高強度で均質なコンクリート構造を確保しています。 水セメント比が24〜29%程度のドライコンクリートを使用して、遠心力と強力な振動で締め固めを行うので管体強度が大 きく均一で緻密なコンクリート体となり、内水圧が作用しても透水することはありません。
②耐アルカリ性及び耐酸性ガラス繊維が全断面に有効に働く構造です。 管体に内水圧が作用した時、ガラス繊維、鉄筋およびコンクリートが一体となって抵抗する構造となっており、さらにガラス 繊維はロービング状態でコンクリート壁面に隙間なく均質に多層配置しているので、どの断面を取っても内水圧が作用したと きに有効に働く構造になっています。

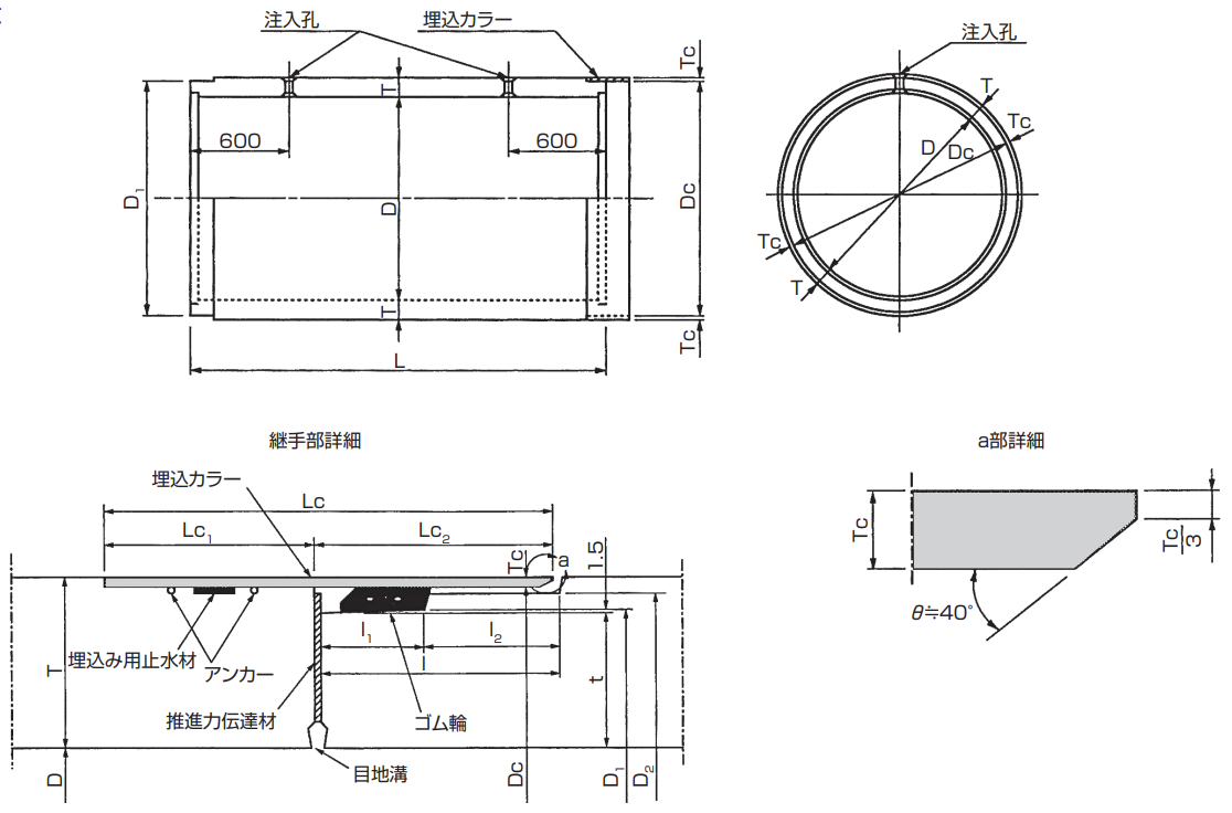
E形管 標準管(継手性能GJA)
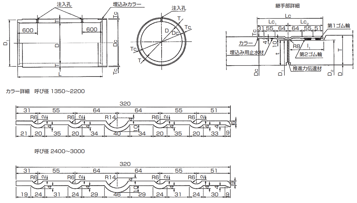
● 形状

標準規格
(単位:mm)

※1 有効長(L)は1200mmとすることができます。
※2 形状はカラーなしとすることができます。
※3 呼び径1000以上には、緊結用埋込ナットをつけることができます。
※4 質量に関しては、参考値であり、管種により異なる場合がありますので必要に応じご確認下さい。
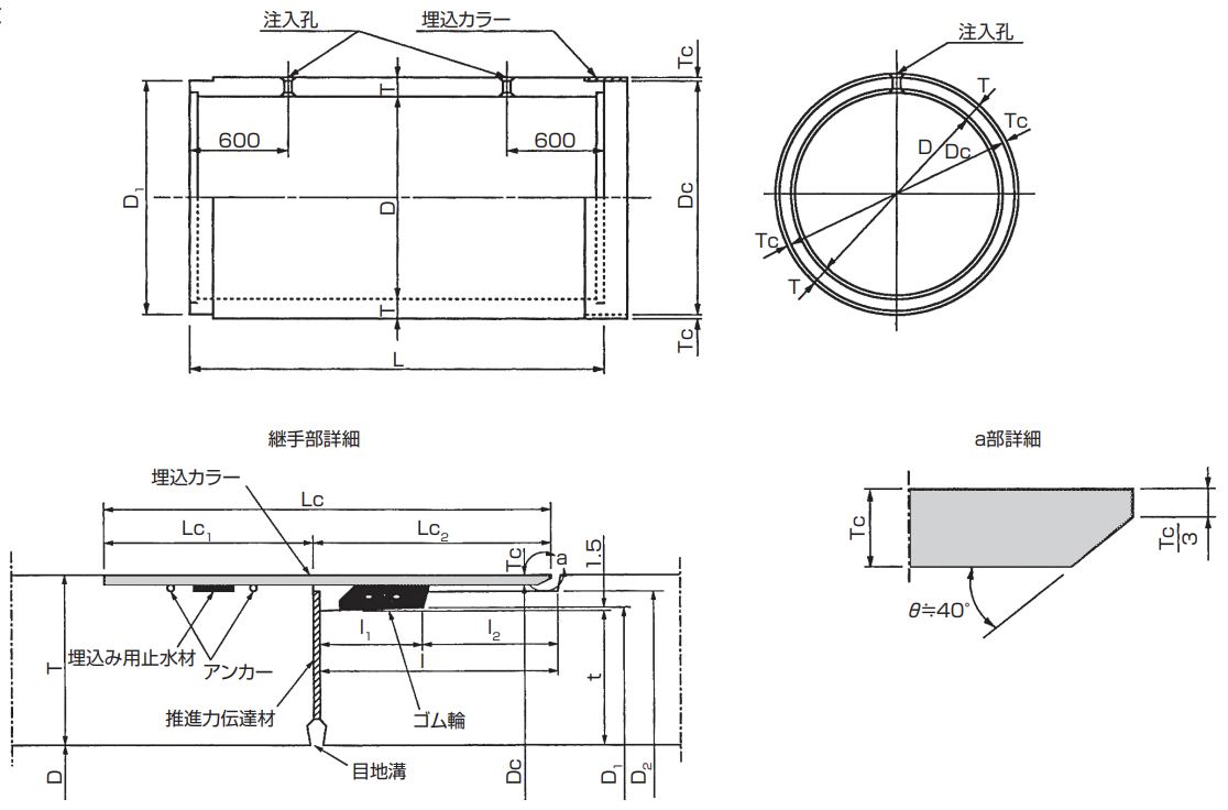
E形管 中押管S形(継手性能GJA)
● 形状

標準規格
(単位:mm)

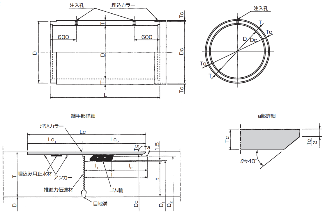
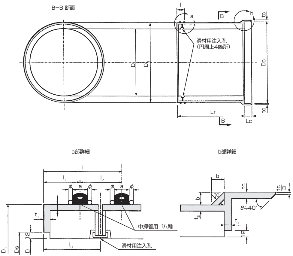
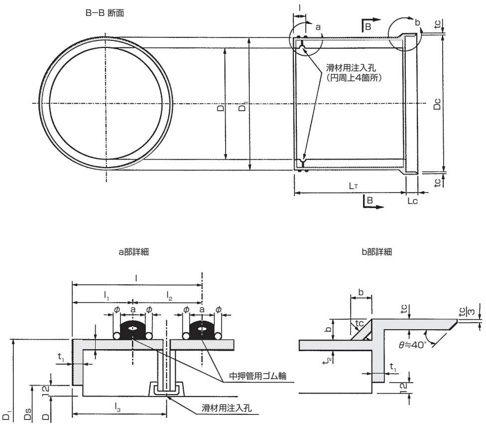
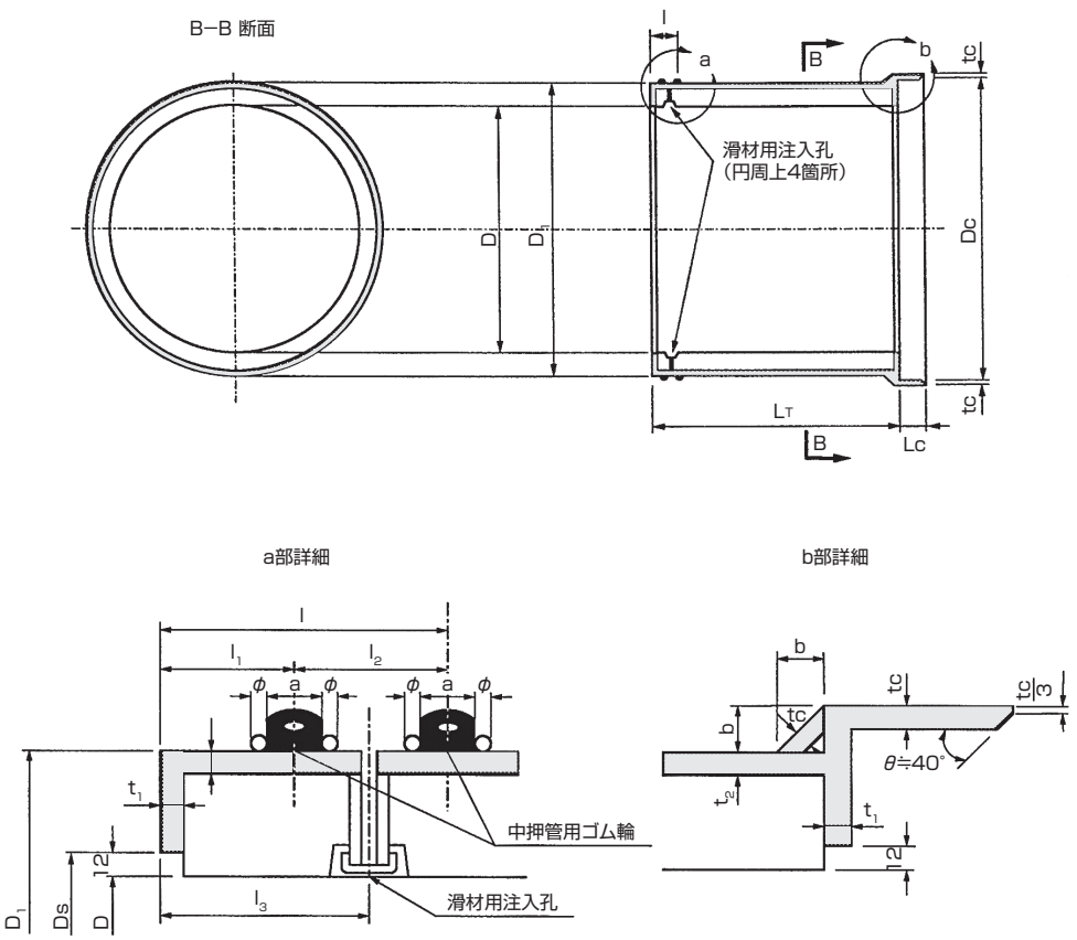
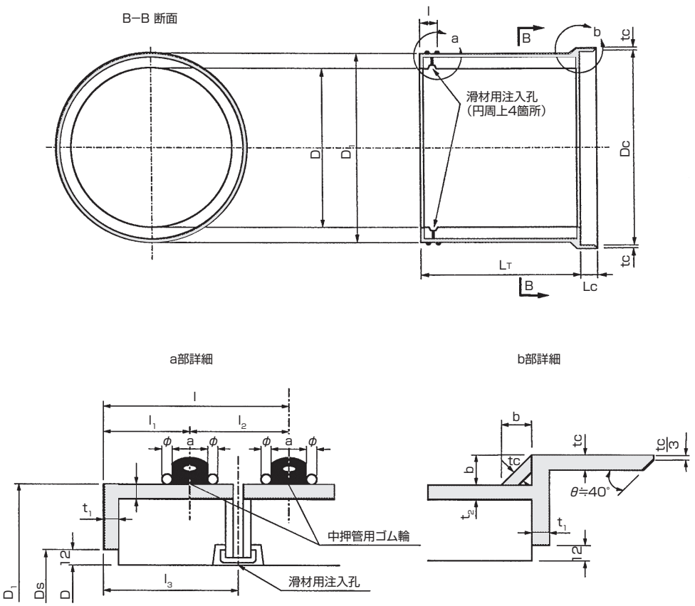
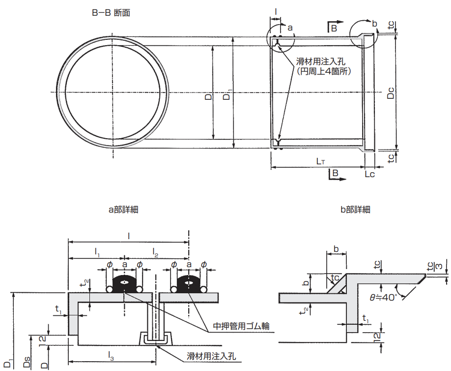
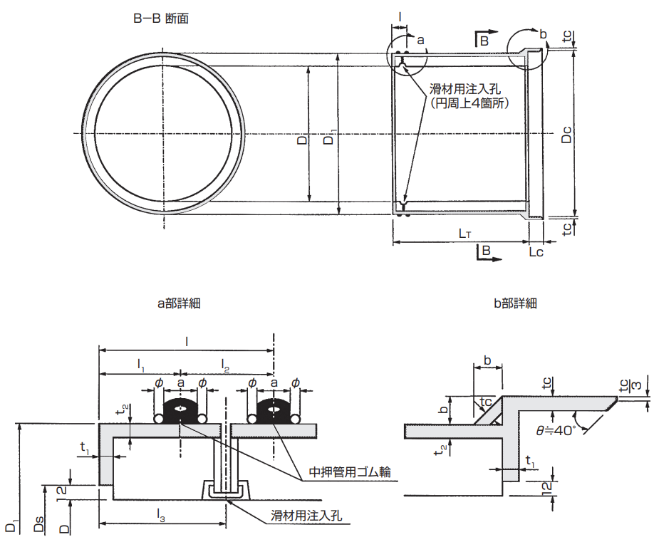
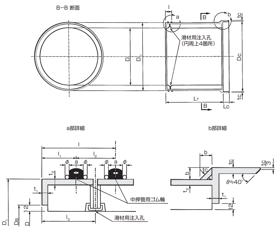
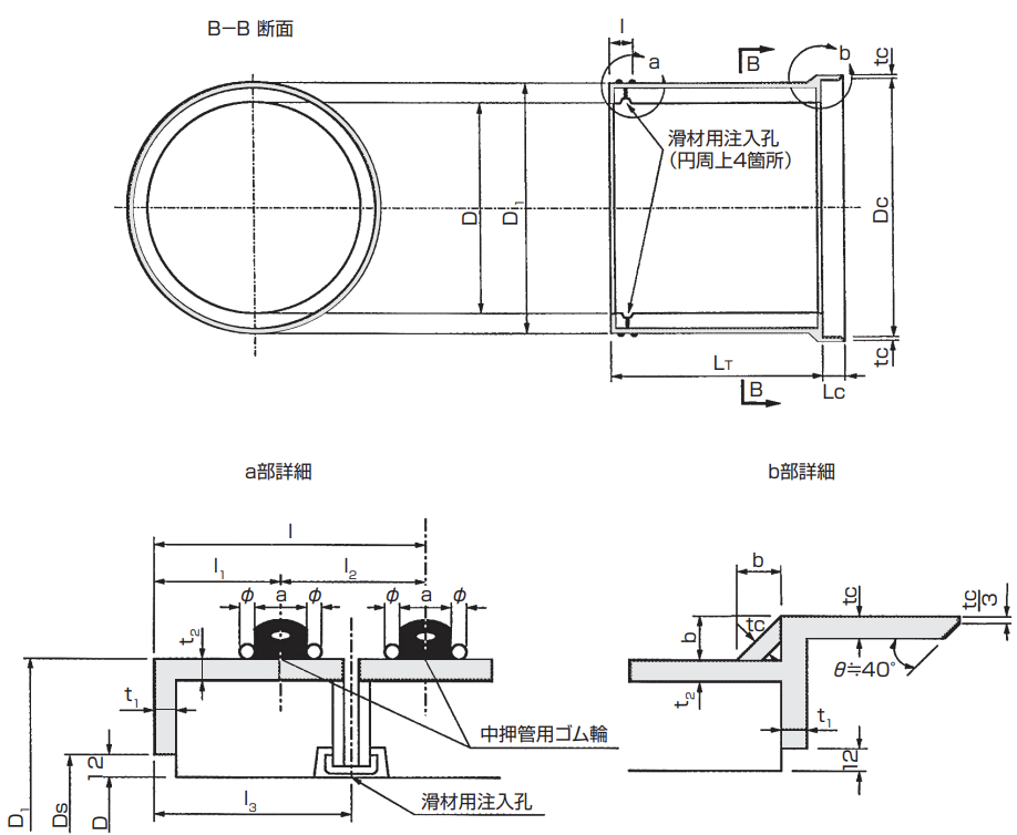
E形管 中押管T形(継手性能GJA)
● 形状

標準規格
(単位:mm)

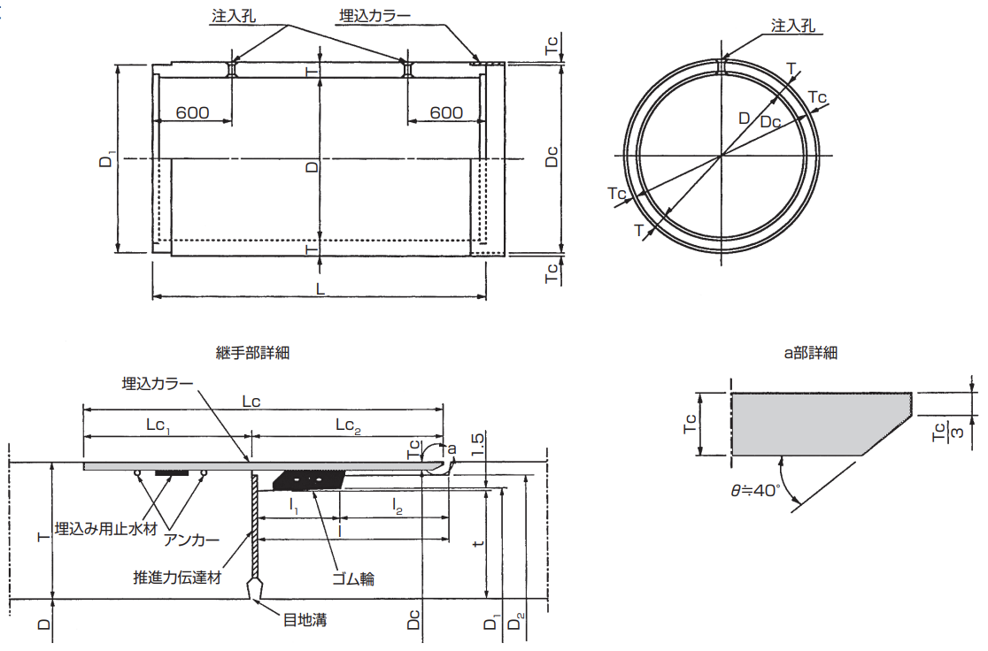
NS推進管 標準管(継手性能GJC)
● 形状

標準規格
(単位:mm)

※1 有効長(L)は1200mmとすることができます。
※2 形状はカラーなしとすることができます。
※3 呼び径1000以上には、緊結用埋込ナットをつけることができます。
NS推進管 中押管S形(継手性能GJC)
● 形状

標準規格
(単位:mm)

NS推進管 中押管T形(継手性能GJC)
● 形状

標準規格
(単位:mm)
