特長
❶ 高い水密性
継手部は高い水密性を有しており、0.6MPa又は1.2MPa の選択が可能です
❷ 大深度施工に対応
コンクリートライニング層に、大きなプレストレスを導入して いるので、外圧に対するひび割れ耐荷力が大きく、大深度施 工が可能です。
❸ 雨水貯留管として採用
本体強度及び継手の止水性能を高めるため、雨水貯留管と して使用できます。また、高い内圧強度を有しているため、 内圧管として使用が可能です。
❹ 大きな流入開口が可能
管本体は加工しやすく、また高耐荷力を有するため、大き な流入開口が可能です。
❺ 従来の推進管(JSWAS A-2)に接続が可能
さまざまな継手形状を製作できるため、従来の推進管を含 めた多種多様な管と接続が可能です。
❻ (公社)日本下水道協会のⅡ類認定資器材
認定適用資器材名:下水道用外殻鋼管付きコンクリート管 認定資器材名:推進工法用合成鋼管
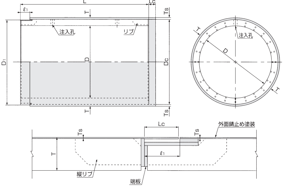
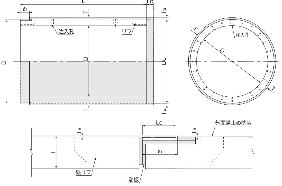
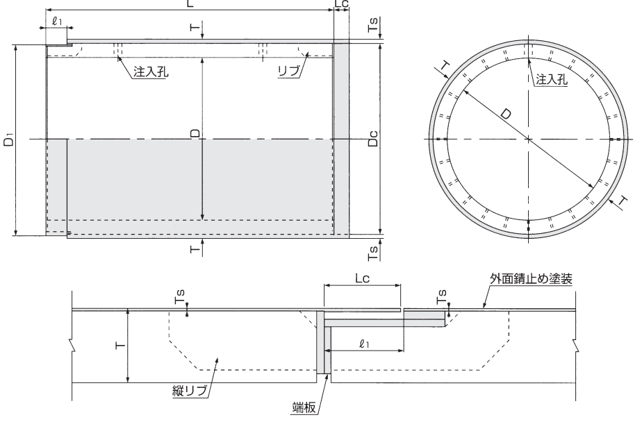
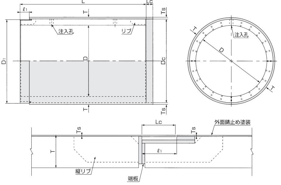
● 形状図

標準規格
(単位:mm)

※1 上記標準寸法以外はお問い合わせください。
※2 参考質量は、カラー長185mmにて算出しています。
● 規格


🔳外圧強さ
(単位:kN/m)


※ひび割れ荷重とは、管に幅0.05mmのひび割れを生じたときの試験機 が示す荷重を有効長(L)で除した値をいい、破壊荷重とは、試験機が 示す最大荷重を有効長(L)で除した値をいいます。
🔳曲線半径表 
● 組合わせ施工例(呼び径φ2000管)
ヒューム管との組み合わせにより、経済的な設計が可能です。

● 主な施工実績

※平成23年3月現在
実験
● 水密試験 (社内試験)



