特長
❶レベル2地震動に、ほとんどのケースで対応可能
(公社)、日本下水道協会発行の「下水道施設の耐震対策指針と解説」に示すレベル2地震動に、ほとんどのケースで対応可能です。
❷深いマンホールに最適
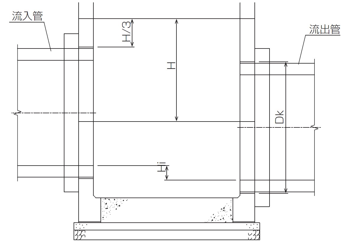
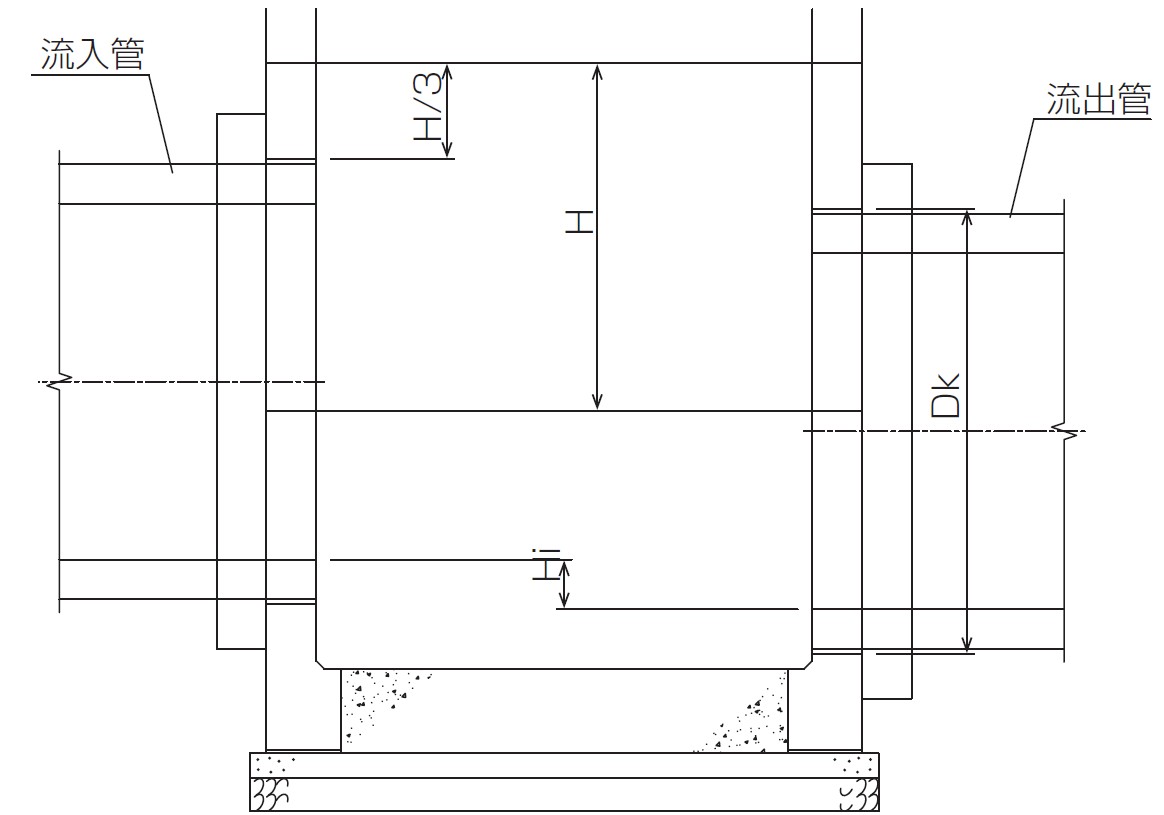
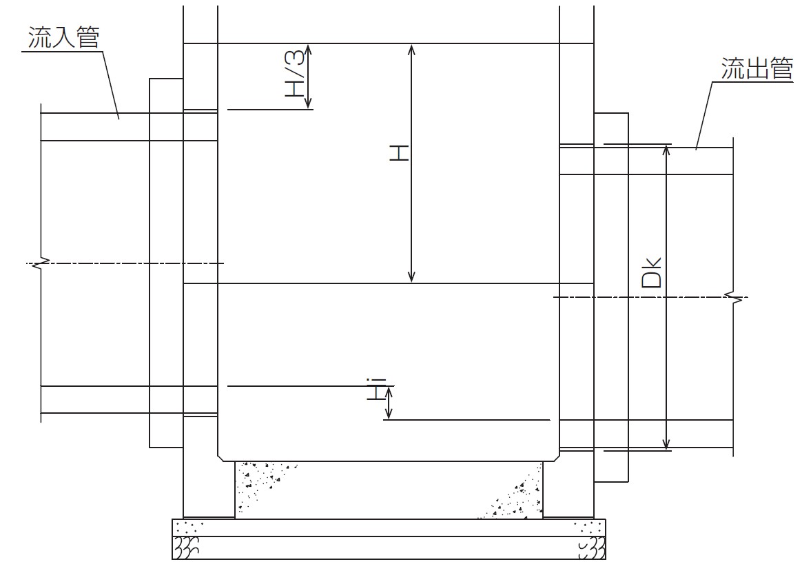
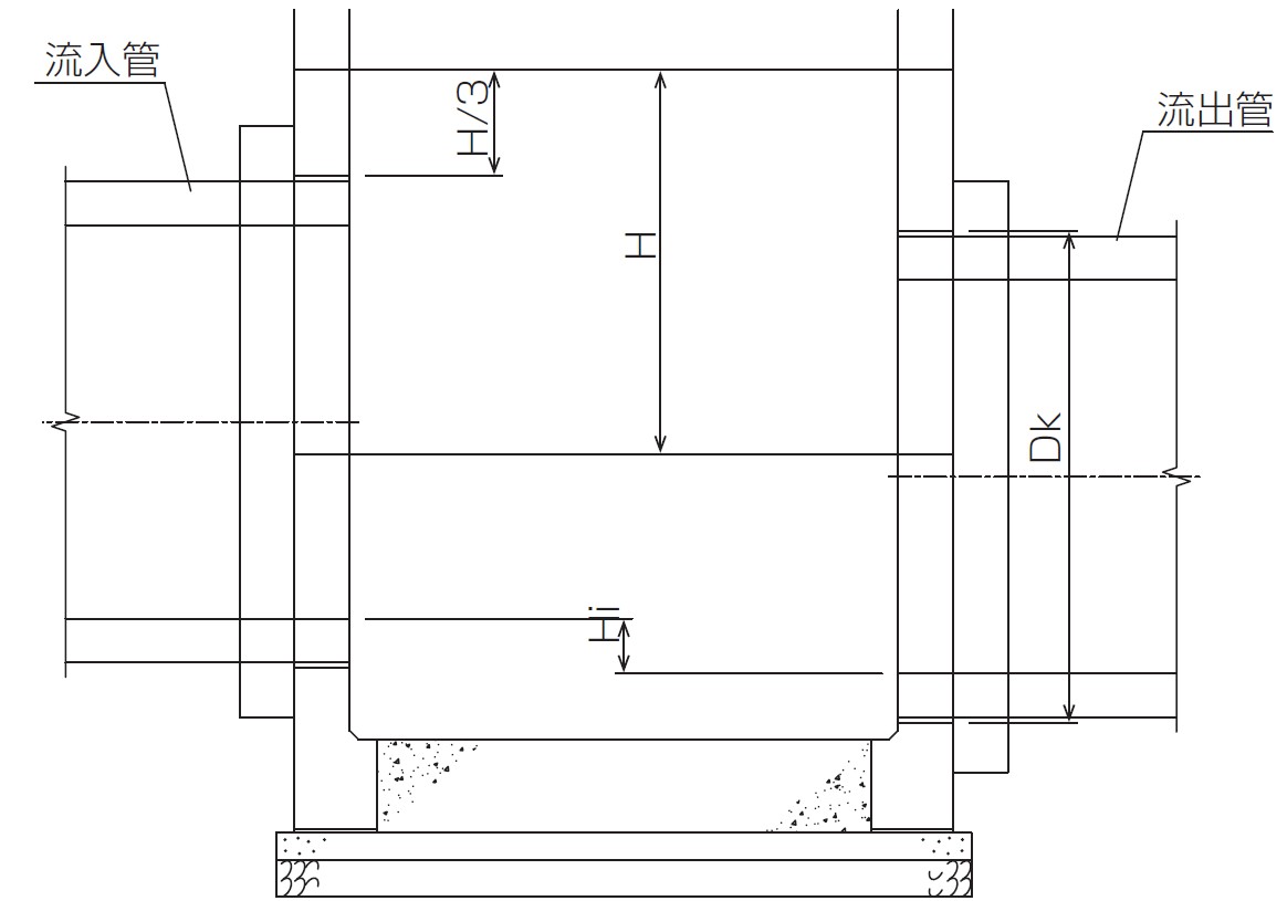
深いマンホールの場合は、一般に流入・流出が大きくなります。当製品では、流入・流出管による断面縮小があっても残存壁面が多く、また基礎ブロック(B)については底版も、一体成型しているため安全です。地下水位も考慮しております。
❸種類が豊富
現場のニーズに対応出来るよう、サイズは3000mm×2500mmから4000mm×4000mmまで9種類の規格化をしました。
❹マンホール空間が広い
箱型部はマンホール空間が広いため、ほとんど内側で作業ができます。また、将来の維持管理が容易になります。
❺施工が簡単
部材を基礎ブロックからマンホール蓋まで順次組み上げるだけですので、熟練工を必要とせず現場施工が簡単です。
❻矩形開口にも対応可能
円形開口だけでなく、アーチカルバート、ボックスカルバートの流入・流出にも対応できます。
❼品質が安定
品質管理された工場製品ですので、品質及び強度にバラつきがありません。
部材名称

適用範囲

※1 マンホール深さは最大値を示しています。
※2 頂版(S)の許容最大土被りは1.5m(最小土被りは11cmです)
※3 水平土圧係数0.5
※4 特殊な条件下では別途耐震設計をいたします。
設計上の注意点
(1)開口方法
サイズ選定にあたっては、開口がハンチにかからないようにします。
※基礎ブロック(B)底版部にも50mm以上のハンチがあるので開口が、かからないようにします。
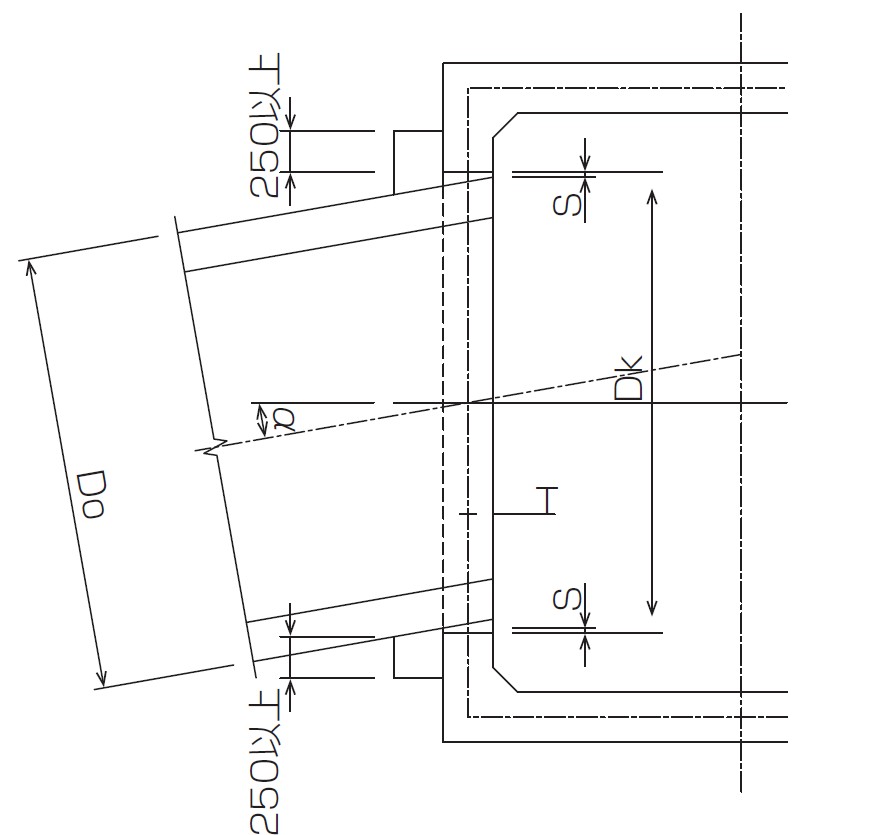
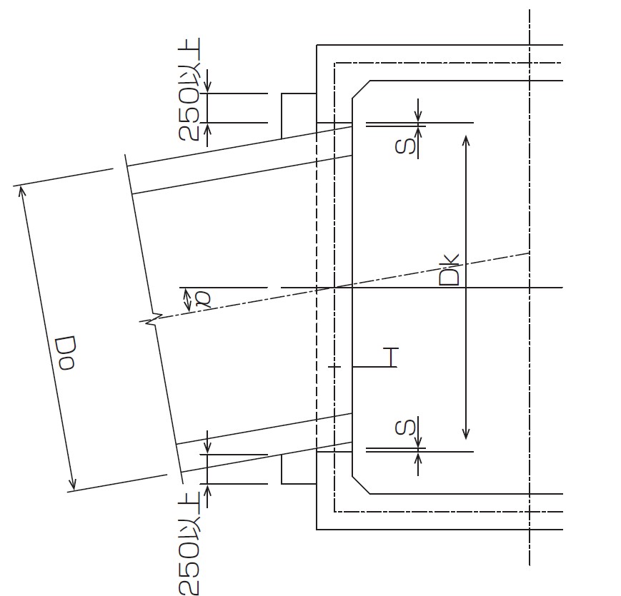
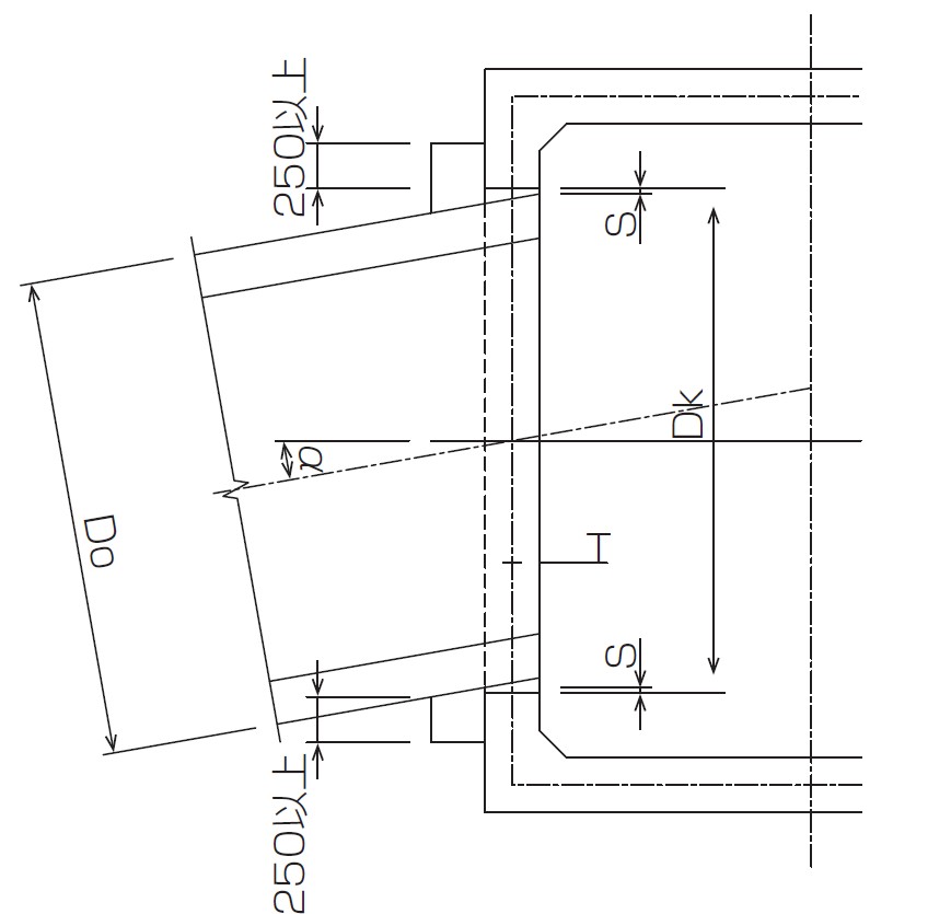
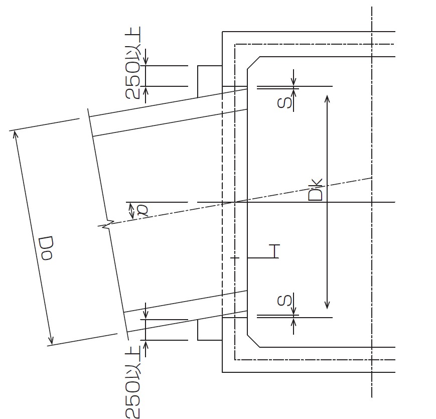
(2)斜めに流出入する場合の制限
管を斜めに流出入させる場合の管中心線の位置は、下図に示すように管中心線がエスホール側壁の中心点を通る位置とします。これはボックスカルバートが流出する場合も同様とします。
(3)基礎ブロック(MB)の開口残り
開口残りは使用する基礎ブロック(MB)の有効長の1/3以上を原則とします。ただし、有効長1500mm以上の基礎ブロック(MB)では表の値以上とします。
(4)ステップ
ステップは1000〜3000形で300ワイド、3500形で400ワイドを標準とします。

斜角流入させる場合の開口径開口残り

開口残り
施工事例
施工場所:山梨県 規格:B3535形

底版部材

底版部材吊り下ろし

中間部材

中間部材吊り下ろし
施工場所:茨城県内 規格:B3535形

共同溝合流部

排水ポンプ孔の状況

雨水排水合流部

ヒューム管流入部の状況
分割面の接合仕様

曲がりボルト部品

曲がりボルトの接合状況