特長
❶ 分割して運搬、施工現場で組立
管を分割することによって道路交通法の制限をクリアし、施工現場で組立を行うことで、3,000mmを超える推進管の提供が可能になりました。(3,500 ~ 5,000mm)
❷ コッター継手により施工性が向上
管の接合作業が容易に行えます。
❸ RC 構造なので取付管の施工が可能
接合面を局部的に締結しているので、その他の部位の削孔・ 加工が行えます。
❹ シールド工法に比べ経済的
管路延長の短い工事においては、シールド工法より超大口径管推進工法が安価となります。
❺ 内水圧にも対応可能
内水圧にも対応可能であるため、内水圧が作用する雨水幹線、雨水貯留管、雨水ポンプ場放流渠に最適です。
❻ 管の仕様や規格
(公社)日本推進技術協会より「推進工法用設計積算要領 超大口径管推進工法編(土圧式推進工法)2016年版」が発刊され、管の仕様や規格が記載されています。
種類

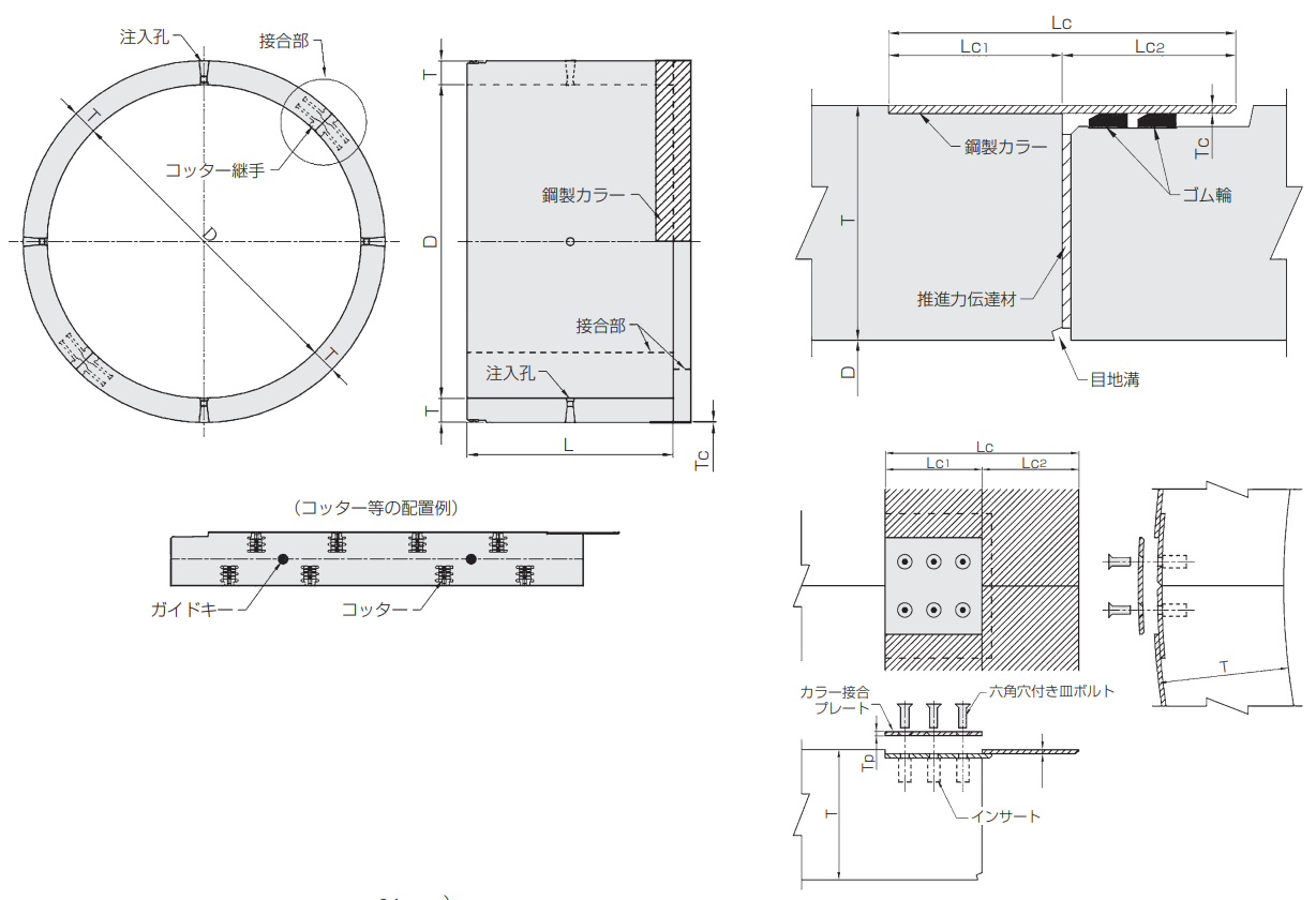
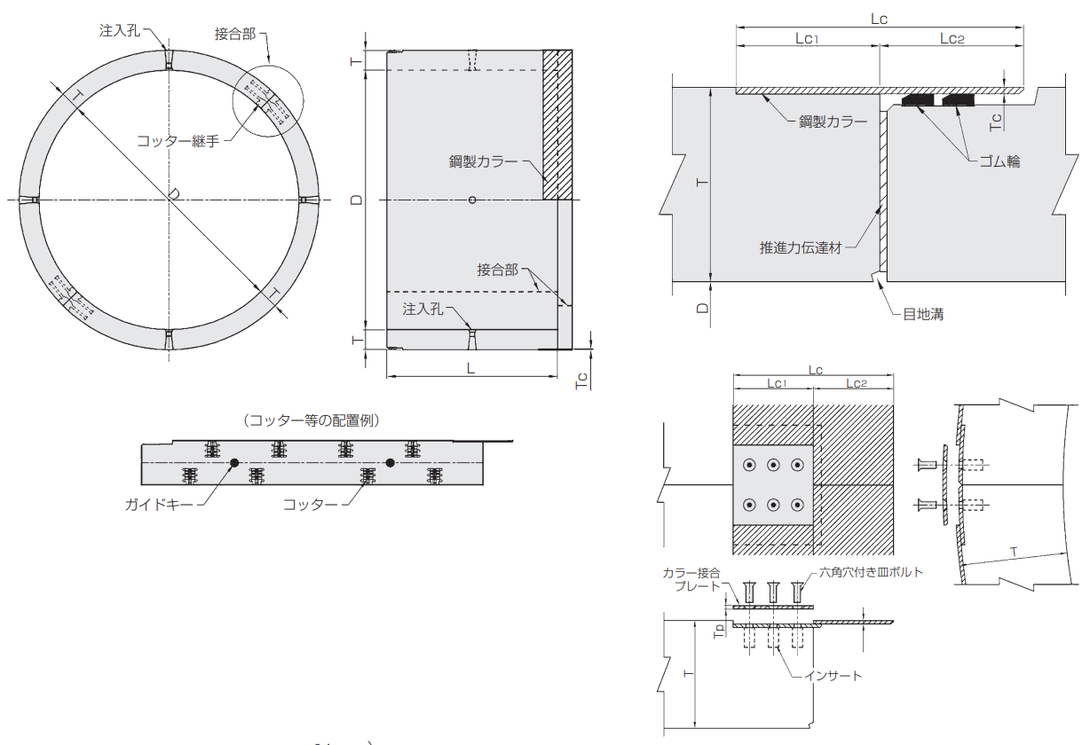
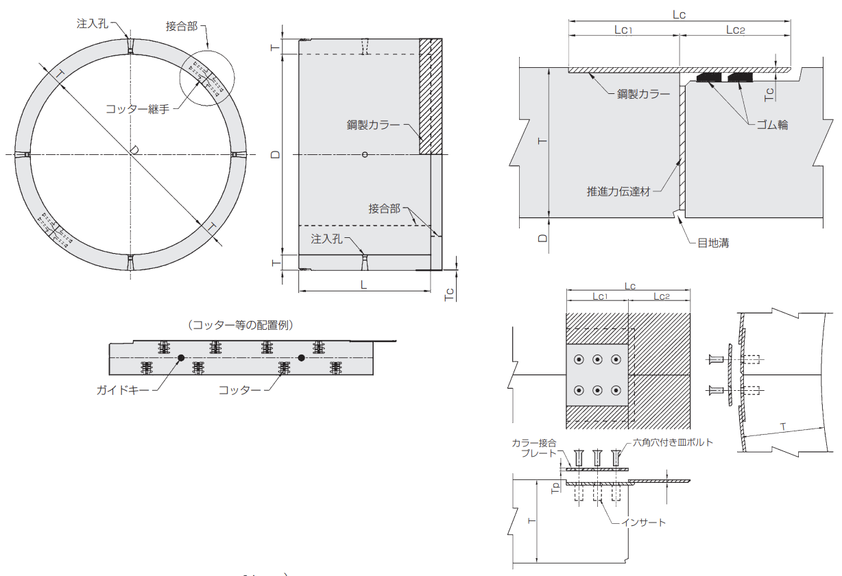
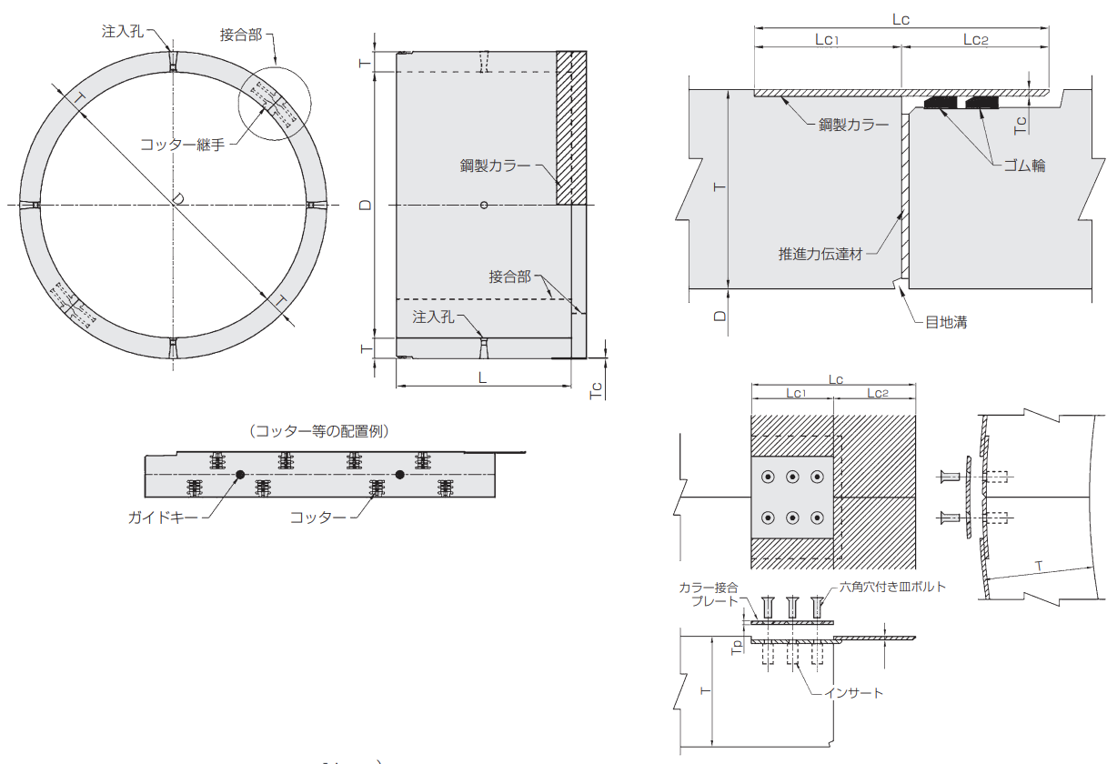
● 形状図

● 継手性能
(単位:mm)

● 管の許容耐力
(単位:mm)

標準規格
● 寸法および仕様
(単位:mm)

組立フロー

実験

施工事例
● 工事概要
工 事 名:石巻市石巻港排水ポンプ場復興建設工事
発 注 者:日本下水道事業団
施 工 者:佐藤・遠藤特定建設共同企業体
施工場所:宮城県石巻市築山地内
工 期:自)平成29年11月17日 至)令和2年1月31日
工事内容:組立式超大口径管推進工法(φ3,500mm) 推進延長 L=445.5m
