特長
❶ 現場条件に合わせ柔軟な対応が可能
擁壁形状は、シンプル・スリム構造のため、擁壁天端の縦断勾配対応や長さ調製品など現場条件に合わせた対応が可能です。
❷ 条件により選べる2タイプの規格
擁壁タイプは、砂質土用・粘性土用の2タイプがあります。

❸ 擁壁上部敷地の有効利用
前面勾配がなく垂直壁であるため、無駄なスペースが生じず、土地の100%有効利用が可能となります。また防護柵基 礎ブロック『Gベース』の下部擁壁としても利用できます。

❹ 壁面化粧対応も可能
標準品は、表面模様なしの「無地フラット」で、景観に配慮した計画では、「壁面模様」も対応可能です。

※耐震性能が必要な場合はお問い合わせください。
種類
◼️HSウォール
H-600〜H-5000までに対応したプレキャストL型擁壁
◼️HS-Wウォール
天端幅を統一したH-600〜3000に対応したプレキャストL型擁壁
◼️HS-Pウォール
天端幅を統一し、転落防止柵用の埋込穴を有した、H-600〜3000に対応したプレキャストL型擁壁
◼️Vタッチウォール
H-1000〜3000までに対応した等厚壁面のプレキャストL型擁壁
◼️逆L型Vタッチウォール
H-1000〜3000までに対応した等厚壁面のプレキャスト逆L型擁壁

仕様
● 異型製品対応
標準製品以外にも現場状況に応じた対応が可能です

HSウォール
● 標準施工断面図

(単位:mm)

● 形状

標準規格
(単位:mm)

※ 上記標準寸法以外はお問い合わせください。
● 必要支持力(単位:kN/m2 )

● 基礎材数量(施工延長10m当り)

オプション
● 壁面化粧例

※標準仕様は「無地フラット」(壁面化粧なし)となります
HS-Wウォール・HS-Pウォール
● 標準施工断面図


● 形状

標準規格
(単位:mm)

※ 上記標準寸法以外はお問い合わせください。
● 必要支持力
(単位:kN/m2 )

● 基礎材数量
(施工延長10m当り)

Vタッチウォール(道路用 )

特長
Vタッチウォール(道路用)は、「道路土工擁壁工指針(平成24年度版)」に準拠している道路用L型 擁壁です。主要道路等に安心してご使用いただけます。製品の自由度が高く、急勾配の天端斜切加工や フェンス穴加工も可能です。
❶ 「道路土工 擁壁工指針(平成24年度版)」に準拠してい ます。
❷ シンプルな形状で自由度が高く、急勾配の天端斜切りや通常では難しい加工でも対応できます。
❸ 天端斜切りに加え、P種(自歩道)のフェンス穴加工がで きます。
❹ 壁面が前面、背面とも垂直なため、塀や防火壁としても使用できます。
❺ 厳しい設計条件の場合には製品壁厚をランクアップしたり、底版を伸ばしたりする検討も可能です。
❻ 製品規格は擁壁高3000mmまでですが、それ超える場合でも設計条件によっては対応可能です。
● 荷重条件(道路)

● 安全率・許容応力度


● 標準施工図

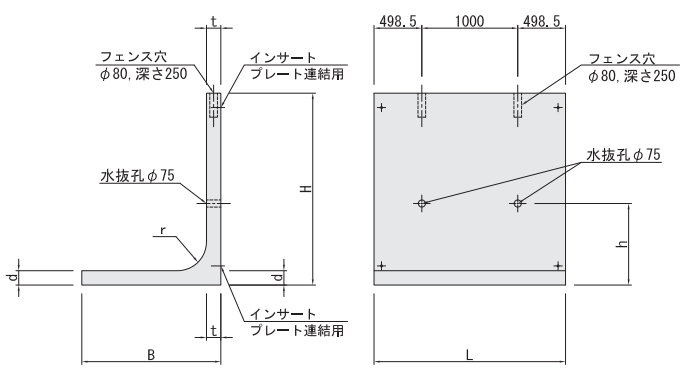
● 形状

標準規格
(単位:mm)

※水抜高およびフェンス穴(オプション)の位置は変更可能です。
※μ:0.6の場合になります。
施工手順

施工歩掛

※1 上記歩掛は平成24年度国土交通省土木積算基準・プレキャスト擁壁工を参考にしています。上表より難しい場合 (特に使用機種等)は別途考慮願います。
※2 上記歩掛は現場内小運搬、床掘、埋戻し、雑工種(基礎砕石、均しコンクリート)、残土処理は含みません。
※3 諸雑費は敷モルタル、目地モルタル、排水材の費用で、労務費および機械賃料の合計額に諸雑費率を乗じた金額を上限として計上します。
逆L型Vタッチウォール(道路用 )

特長
逆L型Vタッチウォール(道路用)は、隣地境界が擁壁背面にあり、擁壁背面側に底版を出せない場合に用いる擁壁です(通常L型擁壁と設置の仕方が逆向き)。「道路土工擁壁工指針(平成24年度版)」に準拠しているため、主要道路等に安心してご使用いただけます。Vタッチウォール(道路用)同様、自由度が高く、様々な条件に対応可能です。
❶ 「道路土工 擁壁工指針(平成24年度版)」に準拠しています。
❷ シンプルな形状で自由度が高く、急勾配の天端斜切りや通常では難しい加工でも対応できます。
❸ 天端斜切りに加え、P種(自歩道)のフェンス穴加工ができます。
❹ 厳しい設計条件の場合には製品壁厚をランクアップしたり、底版を伸ばしたりする検討も可能です。
❺ 製品規格は擁壁高3000mmまでですが、それを超える場合でも設計条件によっては対応可能です。
● 荷重条件(道路)

● 安全率・許容応力度

● 標準施工図

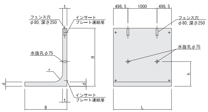
● 形状

施工フローおよび標準施工材料・歩掛は、Vタッチウォールの項を参照ください。
標準規格
(単位:mm)

※水抜高およびフェンス穴(オプション)の位置は変更可能です。お問合せください。